您好,歡迎光臨帝國科技!
產品分類
PRODUCT
PRODUCT
- 國產晶振
- 聲表面濾波器
- 石英晶體
- 石英晶振
- 貼片晶振
- 陶瓷晶振
- 陶瓷濾波器
- 陶瓷霧化片
- 進口晶振
- MERCURY晶振
- Fujicom晶振
- 日本大真空晶振
- 愛普生晶振
- 西鐵城晶振
- 精工晶振
- 村田陶瓷晶振
- 日本京瓷晶振
- 日本進口NDK晶體
- 大河晶振
- TXC晶振
- 亞陶晶振
- 臺灣泰藝晶體
- 臺灣鴻星晶體
- 美國CTS晶體
- 微孔霧化片
- 加高晶振
- 希華石英晶振
- AKER晶振
- NAKA晶振
- SMI晶振
- NJR晶振
- NKG晶振
- Sunny晶振
- 歐美晶振
- Abracon晶振
- ECS晶振
- Golledge晶振
- IDT晶振
- Jauch晶振
- Pletronics晶振
- Raltron晶振
- SiTime晶振
- Statek晶振
- Greenray晶振
- 康納溫菲爾德晶振
- Ecliptek晶振
- Rakon晶振
- Vectron晶振
- 微晶晶振
- AEK晶振
- AEL晶振
- Cardinal晶振
- Crystek晶振
- Euroquartz晶振
- FOX晶振
- Frequency晶振
- GEYER晶振
- KVG晶振
- ILSI晶振
- MMDCOMP晶振
- MtronPTI晶振
- QANTEK晶振
- QuartzCom晶振
- Quarztechnik晶振
- Suntsu晶振
- Transko晶振
- Wi2Wi晶振
- ACT晶振
- MTI晶振
- Lihom晶振
- Rubyquartz晶振
- Oscilent晶振
- SHINSUNG晶振
- ITTI晶振
- PDI晶振
- ARGO晶振
- IQD晶振
- Microchip晶振
- Silicon晶振
- Fortiming晶振
- CORE晶振
- NIPPON晶振
- NICKC晶振
- QVS晶振
- Bomar晶振
- Bliley晶振
- GED晶振
- FILTRONETICS晶振
- STD晶振
- Q-Tech晶振
- Anderson晶振
- Wenzel晶振
- NEL晶振
- EM晶振
- PETERMANN晶振
- FCD-Tech晶振
- HEC晶振
- FMI晶振
- Macrobizes晶振
- AXTAL晶振
- DEI晶振
帝國博客
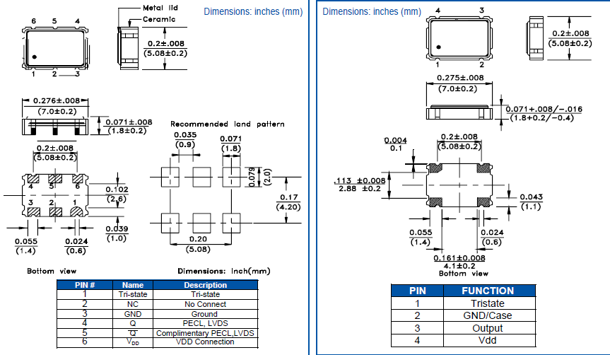
更多>>- 規格型號:73214398
- 頻率:125MHz
- 尺寸:7050mm
- 產品描述:ABFM-125.000MHz-L-V-T,Abracon艾博康晶振,7050差分晶振,實現125.000MHz精準頻率輸出.其差分輸出特性能夠顯著提升信號的抗干擾能力和傳輸距離,保障在強電磁干擾環境下的信號完整性.
ABFM-125.000MHz-L-V-T,Abracon艾博康晶振,7050差分晶振
.png)
.png)
ABFM-125.000MHz-L-V-T,Abracon艾博康晶振,7050差分晶振
ABFM-125.000MHz-L-V-T是Abracon艾博康品牌推出的高性能7050四腳貼片晶振封裝差分晶振,核心頻率精準鎖定125.000MHz,為高頻電路系統提供穩定可靠的時鐘信號支撐.采用差分輸出設計,具備出色的抗干擾能力,能有效降低電磁輻射(EMI),適配對信號完整性要求嚴苛的工業控制,通信設備等場景.產品遵循嚴格的品質管控標準,在寬溫環境下仍可保持優異的頻率穩定性,兼具低功耗與高可靠性,是精密電子設備的理想時鐘組件.
.png)
ABFM-125.000MHz-L-V-T,Abracon艾博康晶振,7050差分晶振
| 原廠型號 Originalmodel: | ABFM-125.000MHz-L-V-T | 品牌brand: | Abracon |
| Manufacturer品牌 | Abracon | OperatingTemperature溫度 | -40+85℃ |
| Series型號 | ABFM | Current-Supply(Max) | - |
| Type類型 | XO | PackageHeight高度 | 1.8mm |
| Frequency頻率 | 125M | Termination 腳位 | 6-pad |
| 輸出方式 Output: | LVDS輸出晶振 | PackageType 封裝類型 | 6-smd |
| Voltage-Supply電壓 | 3.3V | Packaging 包裝 | TapeandReel |
| FrequencyStability頻率穩定度 | 50PP | 安裝方式 Installation: | Surfacemount |
| Size/Dimension尺寸 | 7050mm | 最小包裝數MPQ: | 1000 |
.png)
ABFM-125.000MHz-L-V-T,Abracon艾博康晶振,7050差分晶振

ABFM-125.000MHz-L-V-T,Abracon艾博康晶振,7050差分晶振
| 510KBA25M0000BAGR | Skyworks | Si510 | XO | 25 MHz | CMOS | 1.8V |
| 511BBA125M000BAGR | Skyworks | Si511 | XO | 125 MHz | LVDS | 3.3V |
| 511FBA125M000BAGR | Skyworks | Si511 | XO | 125 MHz | LVDS | 2.5V |
| 510ABA148M500BAGR | Skyworks | Si510 | XO | 148.5 MHz | LVPECL | 3.3V |
| 510BBA156M250BAGR | Skyworks | Si510 | XO | 156.25 MHz | LVDS | 3.3V |
| 511FBA000330BAGR | Skyworks | Si511 | XO | 125 MHz | LVDS | 2.5V |
| 511BBA100M000BAG | Skyworks | Si511 | XO | 100 MHz | LVDS | 3.3V |
| 511BBA125M000AAG | Skyworks | Si511 | XO | 125 MHz | LVDS | 3.3V |
| 511BBA100M000AAG | Skyworks | Si511 | XO | 100 MHz | LVDS | 3.3V |
| 511BBA200M000AAG | Skyworks | Si511 | XO | 200 MHz | LVDS | 3.3V |
| 530BB125M000DG | Skyworks | Si530 | XO | 125 MHz | LVDS | 3.3V |
| 531BC125M000DG | Skyworks | Si531 | XO | 125 MHz | LVDS | 3.3V |
| 545BAA200M000BBG | Skyworks | Si545 | XO | 200 MHz | LVDS | 1.8V, 2.5V, 3.3V |
| 570BAB000544DG | Skyworks | Si570 | XO | 156.25 MHz | LVDS | 3.3V |
| 510BBA125M000AAGR | Skyworks | Si510 | XO | 125 MHz | LVDS | 3.3V |
| 510BBA156M250AAGR | Skyworks | Si510 | XO | 156.25 MHz | LVDS | 3.3V |
| 511ABA156M250AAGR | Skyworks | Si511 | XO | 156.25 MHz | LVPECL | 3.3V |
| 511BBA200M000BAGR | Skyworks | Si511 | XO | 200 MHz | LVDS | 3.3V |
| 510MCA50M0000AAGR | Skyworks | Si510 | XO | 50 MHz | CMOS | 3.3V |
| 511BCA160M000BAGR | Skyworks | Si511 | XO | 160 MHz | LVDS | 3.3V |
| 510KBA100M000BAG | Skyworks | Si510 | XO | 100 MHz | CMOS | 1.8V |
| 511BBA74M2500BAG | Skyworks | Si511 | XO | 74.25 MHz | LVDS | 3.3V |
| 510BBA125M000BAG | Skyworks | Si510 | XO | 125 MHz | LVDS | 3.3V |
| 511FBA125M000BAG | Skyworks | Si511 | XO | 125 MHz | LVDS | 2.5V |
| 511BBA125M000BAG | Skyworks | Si511 | XO | 125 MHz | LVDS | 3.3V |
| 510BBA100M000BAG | Skyworks | Si510 | XO | 100 MHz | LVDS | 3.3V |
| 511FBA100M000BAG | Skyworks | Si511 | XO | 100 MHz | LVDS | 2.5V |
| 510FBA125M000BAG | Skyworks | Si510 | XO | 125 MHz | LVDS | 2.5V |
| 510KCA125M000BAG | Skyworks | Si510 | XO | 125 MHz | CMOS | 1.8V |
| 511BBA000110BAG | Skyworks | Si511 | XO | 148.35165 MHz | LVDS | 3.3V |
| 511FBA156M250BAG | Skyworks | Si511 | XO | 156.25 MHz | LVDS | 2.5V |
| 511BBA148M500BAG | Skyworks | Si511 | XO | 148.5 MHz | LVDS | 3.3V |
| 511JBA125M000BAG | Skyworks | Si511 | XO | 125 MHz | LVDS | 1.8V |
| 511FBA200M000BAG | Skyworks | Si511 | XO | 200 MHz | LVDS | 2.5V |
| 510BBA200M000BAG | Skyworks | Si510 | XO | 200 MHz | LVDS | 3.3V |
| 511JBA100M000BAG | Skyworks | Si511 | XO | 100 MHz | LVDS | 1.8V |
| 511FCA25M0000BAG | Skyworks | Si511 | XO | 25 MHz | LVDS | 2.5V |
| 511FCA100M000BAG | Skyworks | Si511 | XO | 100 MHz | LVDS | 2.5V |
| 511SBA156M250BAG | Skyworks | Si511 | XO | 156.25 MHz | CMOS | 1.8V |
| 511JBA135M000BAG | Skyworks | Si511 | XO | 135 MHz | LVDS | 1.8V |
| 511JBA200M000BAG | Skyworks | Si511 | XO | 200 MHz | LVDS | 1.8V |
| 540BAA000274BBG | Skyworks | Si540 | XO | 322.265625 MHz | LVDS | 1.8V, 2.5V, 3.3V |
| 530BA125M000DG | Skyworks | Si530 | XO | 125 MHz | LVDS | 3.3V |
| 531BC106M250DG | Skyworks | Si531 | XO | 106.25 MHz | LVDS | 3.3V |
| 535AC100M000DG | Skyworks | Si535 | XO | 100 MHz | LVPECL | 3.3V |
| 510CBA25M0000BAGR | Skyworks | Si510 | XO | 25 MHz | CMOS | 3.3V |
| 510CBA100M000BAGR | Skyworks | Si510 | XO | 100 MHz | CMOS | 3.3V |
| 510CBA125M000BAGR | Skyworks | Si510 | XO | 125 MHz | CMOS | 3.3V |
| 510CBA100M000AAGR | Skyworks | Si510 | XO | 100 MHz | CMOS | 3.3V |
| 510GBA25M0000BAG | Skyworks | Si510 | XO | 25 MHz | CMOS | 2.5V |
| 510KBA125M000BAGR | Skyworks | Si510 | XO | 125 MHz | CMOS | 1.8V |
| 511BBA106M250AAGR | Skyworks | Si511 | XO | 106.25 MHz | LVDS | 3.3V |
| 510KBA28M6363BAG | Skyworks | Si510 | XO | 28.6363 MHz | CMOS | 1.8V |
| 511BBA106M250BAG | Skyworks | Si511 | XO | 106.25 MHz | LVDS | 3.3V |
| 510KCA25M0000BAG | Skyworks | Si510 | XO | 25 MHz | CMOS | 1.8V |
| 510KCB25M0000BAG | Skyworks | Si510 | XO | 25 MHz | CMOS | 1.8V |
| 510CCA25M0000BAG | Skyworks | Si510 | XO | 25 MHz | CMOS | 3.3V |
| 510CCA100M000BAG | Skyworks | Si510 | XO | 100 MHz | CMOS | 3.3V |
| 511ABA156M250BAG | Skyworks | Si511 | XO | 156.25 MHz | LVPECL | 3.3V |
| 510CBA50M0000AAG | Skyworks | Si510 | XO | 50 MHz | CMOS | 3.3V |
深圳市帝國科技有限公司
SHENZHEN DIGUO TECHONLOGY CO.,LTD
手 機:86-13826527865
電 話:86-0755-27881119 QQ:921977998
E-mail:dgkjly@163.com
網 址:m.kxsigang.com
地 址:中國廣東省深圳市寶安區西鄉大道新湖路








業務經理