您好,歡迎光臨帝國科技!
產品分類
PRODUCT
PRODUCT
- 國產晶振
- 聲表面濾波器
- 石英晶體
- 石英晶振
- 貼片晶振
- 陶瓷晶振
- 陶瓷濾波器
- 陶瓷霧化片
- 進口晶振
- MERCURY晶振
- Fujicom晶振
- 日本大真空晶振
- 愛普生晶振
- 西鐵城晶振
- 精工晶振
- 村田陶瓷晶振
- 日本京瓷晶振
- 日本進口NDK晶體
- 大河晶振
- TXC晶振
- 亞陶晶振
- 臺灣泰藝晶體
- 臺灣鴻星晶體
- 美國CTS晶體
- 微孔霧化片
- 加高晶振
- 希華石英晶振
- AKER晶振
- NAKA晶振
- SMI晶振
- NJR晶振
- NKG晶振
- Sunny晶振
- 歐美晶振
- Abracon晶振
- ECS晶振
- Golledge晶振
- IDT晶振
- Jauch晶振
- Pletronics晶振
- Raltron晶振
- SiTime晶振
- Statek晶振
- Greenray晶振
- 康納溫菲爾德晶振
- Ecliptek晶振
- Rakon晶振
- Vectron晶振
- 微晶晶振
- AEK晶振
- AEL晶振
- Cardinal晶振
- Crystek晶振
- Euroquartz晶振
- FOX晶振
- Frequency晶振
- GEYER晶振
- KVG晶振
- ILSI晶振
- MMDCOMP晶振
- MtronPTI晶振
- QANTEK晶振
- QuartzCom晶振
- Quarztechnik晶振
- Suntsu晶振
- Transko晶振
- Wi2Wi晶振
- ACT晶振
- MTI晶振
- Lihom晶振
- Rubyquartz晶振
- Oscilent晶振
- SHINSUNG晶振
- ITTI晶振
- PDI晶振
- ARGO晶振
- IQD晶振
- Microchip晶振
- Silicon晶振
- Fortiming晶振
- CORE晶振
- NIPPON晶振
- NICKC晶振
- QVS晶振
- Bomar晶振
- Bliley晶振
- GED晶振
- FILTRONETICS晶振
- STD晶振
- Q-Tech晶振
- Anderson晶振
- Wenzel晶振
- NEL晶振
- EM晶振
- PETERMANN晶振
- FCD-Tech晶振
- HEC晶振
- FMI晶振
- Macrobizes晶振
- AXTAL晶振
- DEI晶振
帝國博客
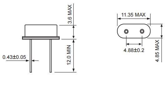
更多>>- 規格型號:26295596
- 頻率:20.945MHz
- 尺寸:11.35*4.88mm
- 產品描述:Fortiming49S晶振,HC49S-20M945-1E025F-CL插件晶振,電車充電樁晶振,美國富通晶振公司,49S插件晶振,歐美進口晶振,二腳晶振,Fortiming晶振,低成本晶振,環保無鉛晶振,高穩定性晶振,石英晶振,6G網絡終端晶振,無...
Fortiming49S晶振,HC49S-20M945-1E025F-CL插件晶振,電車充電樁晶振
.jpg)


| 頻率 | 8.00/10.368/13.824/20.945/20.950/21.150/21.250 MHz |
| 共振模式 | 1 = Fundamental Resonance Mode |
| 校準公差 | E = ±10 ppm |
| 頻率穩定度 |
025F = ±2.5 ppm / 0°C to 50°C 030C = ±3.0 ppm / -10°C to 60°C |
| 晶振老化 | ±3 ppm / year Maximum |
| 儲存溫度 | -55°C to 125°C |
| 負載電荷 | CL = 16 - 30 pF (to be specified) |
| 分流電容 | 7 pF Maximum |
| 驅動電平 | 0.1 mW Typical |
| 等效串聯電阻 | 40 Ohms Maximum |
| 包裝 | HC49S = HC49/US Low Profile Package |
| 絕緣電阻 | 500 Mohms Minimum |
| 創建零件編號 | HC49S-Frequency-1E025F-CL or HC49S-Frequency-1E030C-CLC |
深圳市帝國科技有限公司
SHENZHEN DIGUO TECHONLOGY CO.,LTD
手 機:86-13826527865
電 話:86-0755-27881119 QQ:921977998
E-mail:dgkjly@163.com
網 址:m.kxsigang.com
地 址:中國廣東省深圳市寶安區西鄉大道新湖路





.jpg)



業務經理