您好,歡迎光臨帝國科技!
產品分類
PRODUCT
PRODUCT
- 國產晶振
- 聲表面濾波器
- 石英晶體
- 石英晶振
- 貼片晶振
- 陶瓷晶振
- 陶瓷濾波器
- 陶瓷霧化片
- 進口晶振
- MERCURY晶振
- Fujicom晶振
- 日本大真空晶振
- 愛普生晶振
- 西鐵城晶振
- 精工晶振
- 村田陶瓷晶振
- 日本京瓷晶振
- 日本進口NDK晶體
- 大河晶振
- TXC晶振
- 亞陶晶振
- 臺灣泰藝晶體
- 臺灣鴻星晶體
- 美國CTS晶體
- 微孔霧化片
- 加高晶振
- 希華石英晶振
- AKER晶振
- NAKA晶振
- SMI晶振
- NJR晶振
- NKG晶振
- Sunny晶振
- 歐美晶振
- Abracon晶振
- ECS晶振
- Golledge晶振
- IDT晶振
- Jauch晶振
- Pletronics晶振
- Raltron晶振
- SiTime晶振
- Statek晶振
- Greenray晶振
- 康納溫菲爾德晶振
- Ecliptek晶振
- Rakon晶振
- Vectron晶振
- 微晶晶振
- AEK晶振
- AEL晶振
- Cardinal晶振
- Crystek晶振
- Euroquartz晶振
- FOX晶振
- Frequency晶振
- GEYER晶振
- KVG晶振
- ILSI晶振
- MMDCOMP晶振
- MtronPTI晶振
- QANTEK晶振
- QuartzCom晶振
- Quarztechnik晶振
- Suntsu晶振
- Transko晶振
- Wi2Wi晶振
- ACT晶振
- MTI晶振
- Lihom晶振
- Rubyquartz晶振
- Oscilent晶振
- SHINSUNG晶振
- ITTI晶振
- PDI晶振
- ARGO晶振
- IQD晶振
- Microchip晶振
- Silicon晶振
- Fortiming晶振
- CORE晶振
- NIPPON晶振
- NICKC晶振
- QVS晶振
- Bomar晶振
- Bliley晶振
- GED晶振
- FILTRONETICS晶振
- STD晶振
- Q-Tech晶振
- Anderson晶振
- Wenzel晶振
- NEL晶振
- EM晶振
- PETERMANN晶振
- FCD-Tech晶振
- HEC晶振
- FMI晶振
- Macrobizes晶振
- AXTAL晶振
- DEI晶振
帝國博客
更多>>- 規格型號:56686798
- 頻率:1M-125M
- 尺寸:20*12mm 12*12mm
- 產品描述:石英晶體振蕩器,低電壓啟動功率,并且有多種電壓供選擇,比如有1.8V,2.5V,3.3V,3.8V,5V等,產品被廣泛應用于,平板筆記本,GPS系統,光纖通道,千兆以太網,串行ATA,串行連接SCSI,PCI-Express的SDH / SONET發射基站等領域.符合...
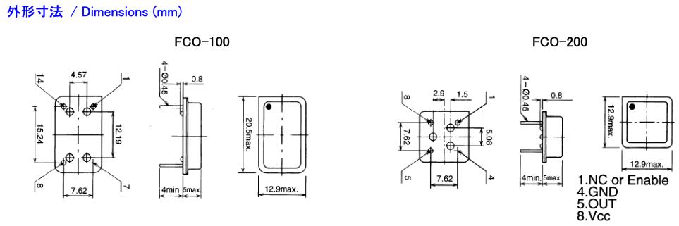
富士通晶振,溫補晶振,FCO-100/FCO-200晶振,壓電石英晶體振蕩器
富士通晶振,溫補晶振,FCO-100/FCO-200晶振,壓電石英晶體振蕩器,有源石英晶振是指在普通無源晶體上增加了電壓,內部集成了相應IC與電容電阻,需要在凈化萬級車間生產,并且在密封機器設備中焊接加蓋,內部封裝模式是指在真空封裝區域內進行封裝。1.防止外界氣體進入組件體內受到污染和增加應力的產生;2.使組件在真空下電阻減小;3.氣密性高。此技術為研發及生產超小型、超薄型石英晶體元器必須攻克的關鍵技術之一
有源晶振高頻振蕩器使用IC與晶片設計匹配技術:有源晶振是高頻振蕩器研發及生產過程必須要解決的技術難題。在設計過程中除了要考慮石英晶體諧振器具有的電性外,還有石英晶體振蕩器的電極設計等其它的特殊性,必須考慮石英晶體振蕩器的供應電壓、起動電壓和產品上升時間、下降時間等相關參數。
有源晶振高頻振蕩器使用IC與晶片設計匹配技術:有源晶振是高頻振蕩器研發及生產過程必須要解決的技術難題。在設計過程中除了要考慮石英晶體諧振器具有的電性外,還有石英晶體振蕩器的電極設計等其它的特殊性,必須考慮石英晶體振蕩器的供應電壓、起動電壓和產品上升時間、下降時間等相關參數。
富士通晶振公司股份有限公司
位于日本山梨縣南都留郡富士河口湖町勝山1430-1
富士通晶振公司主要以石英晶振,電子元件,三端穩壓管,LED照明,高壓電容器,薄膜電容器等產品的生產與開發,在于2013年開始處理,軟件的開發,今后在有線、無線通信設備的本公司商品化目標。今后更能迅速滿足市場的需求。目前針對中國市場主要以石英晶振,石英晶體諧振器,石英晶體振蕩器,有源晶振系列產品作為主打。
公司主要一些大事記:
1994年1月
500萬日元的資本金為富士公司成立。
原工作中水晶設備企業的營業將移交到富士com。
開始銷售水晶設備。富士通晶振,溫補晶振,FCO-100/FCO-200晶振,壓電石英晶體振蕩器
位于日本山梨縣南都留郡富士河口湖町勝山1430-1
富士通晶振公司主要以石英晶振,電子元件,三端穩壓管,LED照明,高壓電容器,薄膜電容器等產品的生產與開發,在于2013年開始處理,軟件的開發,今后在有線、無線通信設備的本公司商品化目標。今后更能迅速滿足市場的需求。目前針對中國市場主要以石英晶振,石英晶體諧振器,石英晶體振蕩器,有源晶振系列產品作為主打。
公司主要一些大事記:
1994年1月
500萬日元的資本金為富士公司成立。
原工作中水晶設備企業的營業將移交到富士com。
開始銷售水晶設備。富士通晶振,溫補晶振,FCO-100/FCO-200晶振,壓電石英晶體振蕩器
| 石英晶振規格 | 單位 | FCO-100/FCO-200 20*12mm 12*12mm 晶振說明 | 進口振蕩器基本條件 |
| 額定頻率范圍 | f_nom | 1M-125MHZ | 晶振標準頻率 |
| 儲存溫度 | T_stg | -40°C ~ +85°C | 裸存 |
| 工作溫度 | T_use | -10°C ~ +70°C | 標準溫度 |
| 電源電壓 | SV | 2.5V 1.8V 3.3V 5V | |
| 頻率公差 | f_— l |
±50 × 10-6 (標準), (±15 × 10-6 ~ ±100 × 10-6 可用) |
+25°C 對于超出標準的規格說明, 請聯系我們以便獲取相關的信息. |
| 頻率溫度特征 | f_tem | ±30 × 10-6/-20°C ~ +70°C | 超出標準的規格請聯系我們. |
| 負載電容 | CL | 15pF | 超出標準說明,請聯系我們. |
| 串聯電阻(ESR) | R1 | 如下表所示 | -40°C — +85°C, DL = 100μW |
| 頻率老化 | f_age | ±5 × 10-6 / year Max. | +25°C,第一年 |


抗沖擊
石英晶體產品可能會在某些條件下受到損壞。例如從桌上跌落或在貼裝過程中受到沖擊。如果產品已受過沖擊請勿使用。
輻射
暴露于輻射環境會導致產品性能受到損害,因此應避免照射富士通晶振,溫補晶振,FCO-100/FCO-200晶振,壓電石英晶體振蕩器。
化學制劑 / pH值環境
請勿在PH值范圍可能導致腐蝕或溶解產品或包裝材料的環境下使用或儲藏這些有源晶振產品。
石英晶體產品可能會在某些條件下受到損壞。例如從桌上跌落或在貼裝過程中受到沖擊。如果產品已受過沖擊請勿使用。
輻射
暴露于輻射環境會導致產品性能受到損害,因此應避免照射富士通晶振,溫補晶振,FCO-100/FCO-200晶振,壓電石英晶體振蕩器。
化學制劑 / pH值環境
請勿在PH值范圍可能導致腐蝕或溶解產品或包裝材料的環境下使用或儲藏這些有源晶振產品。
.jpg)
進口大體積有源晶振在選用晶片時應注意溫度范圍、晶振溫度范圍內的頻差要求,貼片晶振溫度范圍寬時(-40℃-85℃)晶振切割角度比窄溫(-10℃-70℃)切割角度應略高。對于晶振的條片,長邊為 X 軸,短邊為 Z 軸,面為 Y 軸。富士通晶振,溫補晶振,FCO-100/FCO-200晶振,壓電石英晶體振蕩器
對于圓片晶振,X、Z 軸較難區分,所以石英晶振對精度要求高的產品(如部分定單的 UM-1),會在 X 軸方向進行拉弦(切掉一小部分),以利于晶振的晶片有方向的裝架點膠,點膠點點在 Z 軸上。保證時鐘晶體振蕩器產品的溫度特性。石英晶振產品電極的設計:石英晶振產品的電極對于石英晶體元器件來講作用是1.改變頻率;2.往外界引出電極;3.改變電阻;4.抑制雜波。第1、2、3項相對簡單,第4項的設計很關鍵,電極的形狀、尺寸、厚度以及電極的種類(如金、銀等)都會導致第4項的變化。特別是歐美進口石英晶振隨著晶振的晶片尺寸的縮小對于晶片電極設計的形狀及尺寸和精度上都有更高的要求---公差大小、位置的一致性等對晶振產品的影響的程度增大,故對電極的設計提出了更精準的要求。


深圳市帝國科技有限公司
SHENZHEN DIGUO TECHONLOGY CO.,LTD
聯系人:譚蘭艾 手 機:86-13826527865
電 話:86-0755-27881119 QQ:921977998
E-mail:dgkjly@163.com
網 址:m.kxsigang.com
地 址:中國廣東省深圳市寶安區西鄉大道新湖路







業務經理