您好,歡迎光臨帝國科技!
產品分類
PRODUCT
PRODUCT
- 國產晶振
- 聲表面濾波器
- 石英晶體
- 石英晶振
- 貼片晶振
- 陶瓷晶振
- 陶瓷濾波器
- 陶瓷霧化片
- 進口晶振
- MERCURY晶振
- Fujicom晶振
- 日本大真空晶振
- 愛普生晶振
- 西鐵城晶振
- 精工晶振
- 村田陶瓷晶振
- 日本京瓷晶振
- 日本進口NDK晶體
- 大河晶振
- TXC晶振
- 亞陶晶振
- 臺灣泰藝晶體
- 臺灣鴻星晶體
- 美國CTS晶體
- 微孔霧化片
- 加高晶振
- 希華石英晶振
- AKER晶振
- NAKA晶振
- SMI晶振
- NJR晶振
- NKG晶振
- Sunny晶振
- 歐美晶振
- Abracon晶振
- ECS晶振
- Golledge晶振
- IDT晶振
- Jauch晶振
- Pletronics晶振
- Raltron晶振
- SiTime晶振
- Statek晶振
- Greenray晶振
- 康納溫菲爾德晶振
- Ecliptek晶振
- Rakon晶振
- Vectron晶振
- 微晶晶振
- AEK晶振
- AEL晶振
- Cardinal晶振
- Crystek晶振
- Euroquartz晶振
- FOX晶振
- Frequency晶振
- GEYER晶振
- KVG晶振
- ILSI晶振
- MMDCOMP晶振
- MtronPTI晶振
- QANTEK晶振
- QuartzCom晶振
- Quarztechnik晶振
- Suntsu晶振
- Transko晶振
- Wi2Wi晶振
- ACT晶振
- MTI晶振
- Lihom晶振
- Rubyquartz晶振
- Oscilent晶振
- SHINSUNG晶振
- ITTI晶振
- PDI晶振
- ARGO晶振
- IQD晶振
- Microchip晶振
- Silicon晶振
- Fortiming晶振
- CORE晶振
- NIPPON晶振
- NICKC晶振
- QVS晶振
- Bomar晶振
- Bliley晶振
- GED晶振
- FILTRONETICS晶振
- STD晶振
- Q-Tech晶振
- Anderson晶振
- Wenzel晶振
- NEL晶振
- EM晶振
- PETERMANN晶振
- FCD-Tech晶振
- HEC晶振
- FMI晶振
- Macrobizes晶振
- AXTAL晶振
- DEI晶振
帝國博客
更多>>- 規格型號:39303041
- 頻率:20MHZ
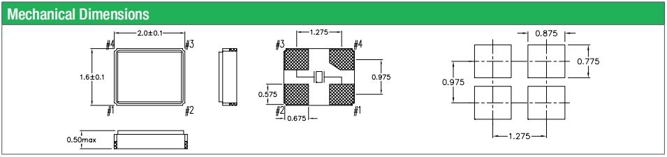
- 尺寸:2.0*1.6mm
- 產品描述:QANTEK晶振,QC20晶振,QC2024.0000F12B33R晶振,貼片晶振本身體積小,超薄型石英晶體振蕩器,特別適用于有目前高速發展的高端電子數碼產品,因為晶振本身小型化需求的市場領域,小型,薄型是對應陶瓷振蕩器(偏差大)和普通的石...
QANTEK晶振,QC20晶振,QC2024.0000F12B33R晶振
.jpg)
QANTEK晶振,QC20晶振,QC2024.0000F12B33R晶振,貼片晶振本身體積小,超薄型石英晶體振蕩器,特別適用于有目前高速發展的高端電子數碼產品,因為晶振本身小型化需求的市場領域,小型,薄型是對應陶瓷振蕩器(偏差大)和普通的石英晶體振蕩器(偏差小)的中間領域的一種性價比較出色的產品.產品廣泛用于筆記本電腦,無線電話,衛星導航SSD,USB,Blu-ray等用途,符合無鉛焊接的高溫回流焊曲線特性.
QANTEK為每位客戶分配一位作為主要聯系人的客戶經理,負責開發QANTEK資源的業務關系以滿足每位客戶的需求。通過此系統,QANTEK可以保持強大的客戶關系,而響應式服務和支持最重要。QANTEK希望成為您首選的頻率管理產品供應商.
QANTEK的頻率管理組件產品系列因其可靠性,耐用性和性能而廣受認可。我們的產品制造符合國際標準和規格。因此,每一臺QANTEK產品都能達到您的期望和超越。此外,我們不斷擴大和升級我們的生產流程,以確保利用新技術來保護和永久改善產品性能和完整性。我們的持續增長和極高的客戶保留水平證明了這一承諾。零缺陷
通過對IQC,IPQC,QQC測試程序進行廣泛的設計,材料控制和檢測,質量保證從原材料開始到最終產品,以確保我們產品的高質量。QC / QA實驗室不斷進行質量保證調查和分析以確保零缺陷標準。
QANTEK晶振擁有強大的海外客戶資源,所有QANTEK石英晶體符合國際規格,質量認證,品質管理標準,康泰克晶振不斷改進制造工廠和生產技術,為了把QANTEK Crystal產品做到卓越.QANTEK晶振,QC20晶振,QC2024.0000F12B33R晶振.

| General Specifications-QANTEK晶振 | QC20晶振 |
| Frequency Range | 20.000 to 52.000MHz (Fundamental) |
| Frenquency Tolerance at 25°C | ±10 to ±30ppm (±30ppm standard) |
| Frequency Stability over Temperature Range | See Stability vs. Temperature Table |
| Storage Temperature | -40 to +85°C |
| Aging per Year | ±3ppm max. |
| Load Capacticance C L | 7 to 32pF and Series Resonance |
| Shunt Capacticance C 0 | 7.0pF |
| Equivalent Series Resistance (ESR) | See ESR Table |
| Drive Level | 50μW max. |
| Insulation Resistance (MΩ) | 500 at 100Vdc ±15Vdc |
.jpg)

自動安裝時的沖擊:石英晶振自動安裝和真空化引發的沖擊會破壞SMD晶振產品特性并影響這些產品。請設置安裝條件以盡可能將沖擊降至最低,并確保在安裝前未對晶振特性產生影響。條件改變時,請重新檢查安裝條件。同時,在安裝前后,請確保石英晶振產品未撞擊機器或其他電路板等。
每個封裝類型的注意事項
陶瓷包裝晶振與SON產品
在焊接陶瓷晶振和SON產品 (陶瓷包裝是指晶振外觀采用陶瓷制品) 之后,彎曲電路板會因機械應力而導致焊接部分剝落或封裝分裂(開裂)。尤其在焊接這些產品之后進行電路板切割時,務必確保在應力較小的位置布局晶體并采用應力更小的切割方法。
陶瓷包裝石英晶振
在一個不同擴張系數電路板(環氧玻璃)上焊接陶瓷封裝石英晶振時,在溫度長時間重復變化時可能導致端子焊接部分發生斷裂,請事先檢查焊接特性。QANTEK晶振,QC20晶振,QC2024.0000F12B33R晶振.
深圳市帝國科技有限公司
SHENZHEN DIGUO TECHONLOGY CO.,LTD
手 機:86-13826527865
電 話:86-0755-27881119 QQ:921977998
E-mail:dgkjly@163.com
網 址:m.kxsigang.com
地 址:中國廣東省深圳市寶安區西鄉大道新湖路








業務經理